亮度/色度偏移(Y-C-Offset)描述亮度和色度通道之间的时间差。时间差必须在辉度的50%幅度点和色度转换点之间测量,两个信号来自相同的测试模式。
亮度/色度偏移测试卡由灰色背景上的绿色十字(20%透明度)组成。利用校准的解调器产生亮度信号E'Y和色度信号R'(R-Y)和R'(B-Y)。借助于双光束示波器测量时间差。解调器的亮度/色度偏移必须用结果进行测量和指定。
测量设置必须与下面的图一致。

水平亮度/色度偏移
必须选择线M(参见图2,2a,2b),并且如图2d和2e所示,在范围上显示增加。必须在50%的电平点之间测量时间差tdH(ns)。当分别读出亮度信号Y和色度信号C时,必须在不解调色度信号的情况下实现对这些信号的测量(见图2m,2n,2p,2r,2s)。此方法仅适用于PAL和NTSC。必须测量色度信号E'(R-Y)和E'(B-Y)的上升时间t1和下降时间t2(见图2f)。
垂直亮度/色度偏移
借助于示波器,选择半图像(参见图2d和2e)并且显示增加(参见图2k和2l)。亮度信号E'Y的50%点与色度信号E'(R-Y)和E'(B-Y)之间的时间差tdv必须被测量并显示在图像行周期中(见图2k和2l)。
结果的介绍
时间差,上升沿和下降沿必须用照明边缘来描述,以供参考,如下所示:
注意:由于色度信道的小带宽,色度信号的上升沿在亮度信号的上升沿(负偏移)和在亮度信号的下降沿(正偏移)之后的下降沿之前产生。两者之间的时间差用于主偏移,其可以是正的或负的。
![]() |
图2a:线M中的亮度信号E'Y(参见测试图案) |
| 图2b:行M中的色度信号(见测试模式) |
![]() |
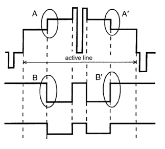
图2d:信号E'Y的部分A和A'增加 |
| 图2e:信号E'(R-Y)的增加部分B和B' | |
| 图2f:叠加信号E'Y和E'(R-Y)部分A和A',BB' |
![]() |
图2g:亮度信号E'Y |
| 图2h:色度信号E'(R-Y) | |
| 图2j:色度信号E'(B-Y) |
![]() |
图2k:信号E'Y的增大的部分C. |
| 图2l:信号E'的增大部分D(R-Y) |
![]() |
图2m:图像信号复合E'Y + CH |
| 图2n:亮度信号E'Y |
![]() |
图2r:信号E'Y的部分A和A'增加 |
| 图2s:增加信号CH的B和B'部分 |